
手機購
更方便
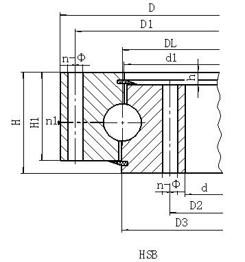
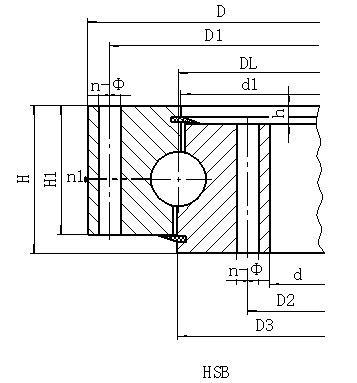
HS系列單排球式回轉(zhuǎn)支承是在原單排交叉滾子式結(jié)構(gòu)回轉(zhuǎn)支承的基礎(chǔ)上改進形成,適用于工程、礦山、建筑及其他需要兩部分相對旋轉(zhuǎn)運動的機械連接部位。
單排四點接觸球式回轉(zhuǎn)支承由兩個座圈組成,結(jié)構(gòu)緊湊、重量輕、鋼球與圓弧滾道四點接觸,能同時承受軸向力、徑向力和傾翻力矩?;剞D(zhuǎn)式輸送機、焊接操作機、中小型起重機和挖掘機等工程機械均可選用。
聯(lián)系我們
掃一掃查看更多信息